

Frizione a camma antiritorno MR One Direction
La frizione a camma antiritorno unidirezionale della serie MR è progettata specificamente per una protezione anti-inversione affidabile nei trasportatori inclinati e nei macchinari pesanti.
Queste unità garantiscono un innesto istantaneo e senza gioco, bloccando immediatamente i carichi e prevenendo pericolosi incidenti di rotolamento, anche in condizioni di carico estreme. Il design resistente delle camme e delle piste garantisce una durata eccezionale e prestazioni costanti in un ampio intervallo di temperature di esercizio. Scegliete la frizione a camme antiritorno MR per una sicurezza operativa superiore e un funzionamento senza manutenzione.
- Telefono:18019694558
- E-mail:sales@backstopclutch.com

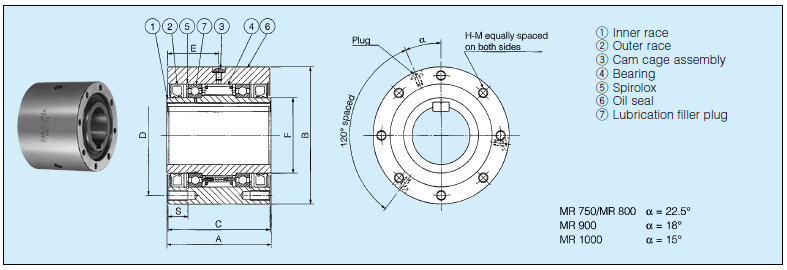
Frizione a camma antiritorno MR One Direction
La frizione a camma antiritorno unidirezionale della serie MR è progettata specificamente per una protezione anti-inversione affidabile nei trasportatori inclinati e nei macchinari pesanti.
Queste unità garantiscono un innesto istantaneo e senza gioco, bloccando immediatamente i carichi e prevenendo pericolosi incidenti di rotolamento, anche in condizioni di carico estreme. Il design resistente delle camme e delle piste garantisce una durata eccezionale e prestazioni costanti in un ampio intervallo di temperature di esercizio. Scegliete la frizione a camme antiritorno MR per una sicurezza operativa superiore e un funzionamento senza manutenzione.
- Telefono:18019694558
- E-mail:sales@backstopclutch.com















