

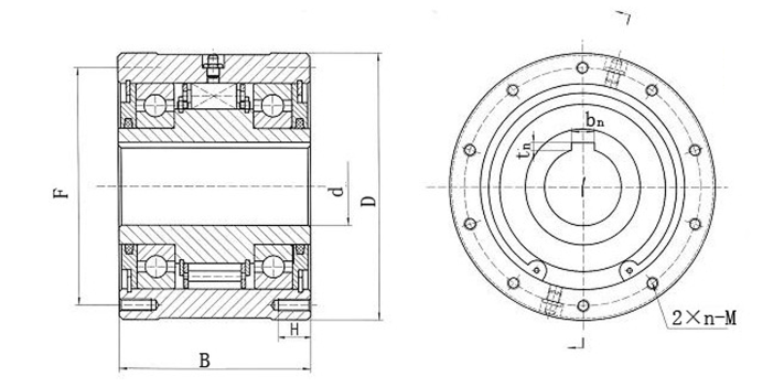
CKZ-F Freilauf-Rücklaufkupplung für Verpackungsmaschine
Die CKZ-F-Freilaufkupplung ist eine spezielle Sicherheitskomponente für Verpackungsmaschinen. Ihre Hauptfunktion als Freilaufkupplung ermöglicht ein freies Überdrehen in Vorwärtsrichtung der Maschine und verhindert gleichzeitig durch eine sofortige, starre mechanische Verriegelung jegliche Rückwärtsdrehung. Dadurch wird sichergestellt, dass bewegliche Teile der Verpackungslinie, wie z. B. Formrohre oder Zuführsysteme, im Stillstand nicht rückwärts rollen können. Dies schützt sowohl das zu verpackende Produkt als auch die Maschine selbst vor Beschädigungen und gewährleistet so einen gleichmäßigen und sicheren automatisierten Betrieb.
- Telefon:18019694558
- E-Mail:sales@backstopclutch.com

CKZ-F Freilauf-Rücklaufkupplung für Verpackungsmaschine
Die CKZ-F-Freilaufkupplung ist eine spezielle Sicherheitskomponente für Verpackungsmaschinen. Ihre Hauptfunktion als Freilaufkupplung ermöglicht ein freies Überdrehen in Vorwärtsrichtung der Maschine und verhindert gleichzeitig durch eine sofortige, starre mechanische Verriegelung jegliche Rückwärtsdrehung. Dadurch wird sichergestellt, dass bewegliche Teile der Verpackungslinie, wie z. B. Formrohre oder Zuführsysteme, im Stillstand nicht rückwärts rollen können. Dies schützt sowohl das zu verpackende Produkt als auch die Maschine selbst vor Beschädigungen und gewährleistet so einen gleichmäßigen und sicheren automatisierten Betrieb.
- Telefon:18019694558
- E-Mail:sales@backstopclutch.com














